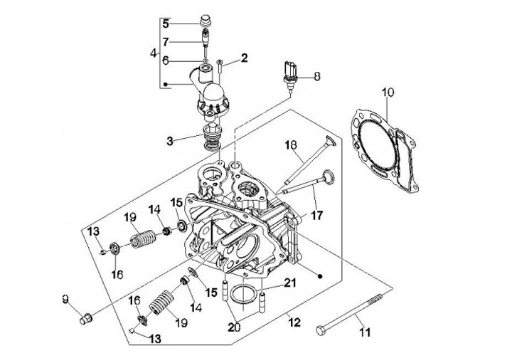
Cilinderkop
Vespa GTS 250 (2008, ZAPM45100)
Sorteer