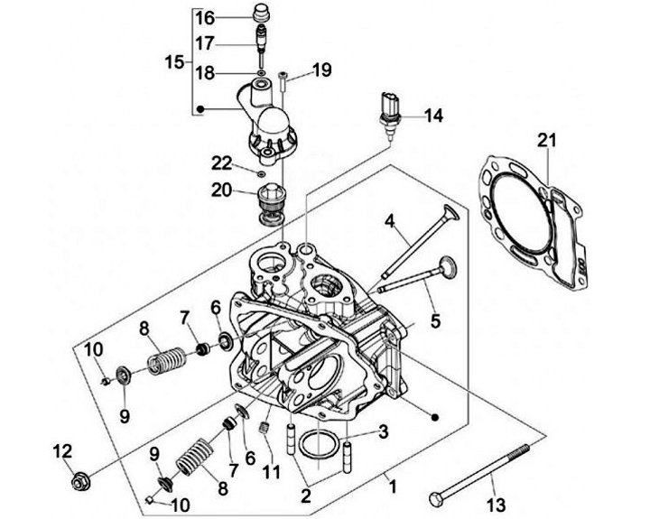
Cilinderkop
Vespa GTS 300ie ABS (2016, ZAPMA3300)
Sorteer