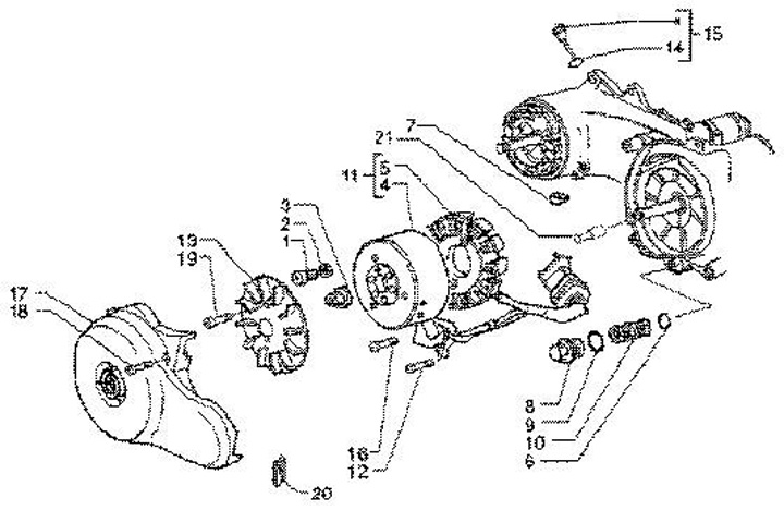
Dynamo
Piaggio Liberty 50 (4-Takt, 2001, ZAPC28200)
Sorteer