zeer goed
4.7 / 5
Vandaag verzonden met bestelling in 5 h 18 min
Gratis verzending vanaf 99€ (DE) Hoge klanttevredenheid
Contact |Privacy |AGB & Klanteninformatie |Afdruk
Vandaag verzonden met bestelling in 5 h 18 min
Vespa LX 50 (2-Takt, 2004, ZAPC38101) | Exploded views Vespa LX 50 (2-Takt, 2004, ZAPC38101) | Exploded views
Blog DE  |  €
Mijn voertuig
Paswoord vergeten?
Nieuwe klantenrekening aanmaken
0
  • Alle
    • Motor
      Allemaal uit Motor
      • Aandrijving
      • Afdichtingen
      • Carburateur
      • Cilinder
      • Injectiesysteem
      • Inlaatspruitstuk & membraan
      • Koeling
      • Koppeling
      • Krukas
      • Luchtfilter
      • Motor & behuizing
      • Motoren
      • Ontsteking
      • Revisieset
      • Schroeven & kleine onderdelen
      • Starter
      • Uitlaat
      • Versnellingsbak
    • Elektrisch systeem
      Allemaal uit Elektrisch systeem
      • Batterijen
      • Bougies
      • Instrumenten
      • Kabels
      • Lichtbron
      • Ontsteking & dynamo
      • Regelaar, gelijkrichter
      • Schakelaars
      • Schroeven & kleine onderdelen
      • Startmotor
      • Stekker
      • Verlichting
    • Frame & aanbouwdelen
      Allemaal uit Frame & aanbouwdelen
      • Belettering
      • Brandstofsysteem
      • Hoofd- en zijstandaard
      • Lager stuurkop
      • Onderdelen voor panelen
      • Schokdemper
      • Schroeven & kleine onderdelen
      • Vorken
      • Zitbanken
    • Stuur & fittings
      Allemaal uit Stuur & fittings
      • Gas schakelhendels
      • Handgrepen
      • Instrumenten
      • Rem & koppeling
      • Schakelaars
      • Schroeven & kleine onderdelen
      • Spiegel
      • Stuur & kuipdelen
    • Bowdenkabels
      Allemaal uit Bowdenkabels
      • Besturingselementen
      • Kabeltrekken & sets
      • Klemnippels & stelschroeven
      • Remleidingen
      • Snelheidsmeterkabels
      • Tacho-aandrijvingen
    • Wielen
      Allemaal uit Wielen
      • Banden
      • Kleppen & kleine onderdelen
      • Remmen
      • Slangen
      • Velgen
      • Wielen
    • Service
      Allemaal uit Service
      • Filters
      • Gereedschap
      • Oliën
      • Stelt in
      • V-snaar
    • Olie & chemie
      Allemaal uit Olie & chemie
      • Afdichtmiddel
      • Bedrijfsmaterialen
      • Benodigdheden voor de workshop
      • Lakken en kleuren
      • Lijmen
      • Oliën
      • Onderhoudsproducten & reinigingsmiddelen
      • Vetten en smeermiddelen
    • Accessoires
      Allemaal uit Accessoires
      • Bagagedrager
      • Bescherming tegen diefstal
      • Drosselkleppen & Toerentalbegrenzer
      • Literatuur
      • Merchandise
      • Smartphonehouders & Accessoires
      • Speciaalaccessoires
      • Topkoffer
      • Valbeugel
      • Werkplaatsuitrusting
      • Windscherm
      • Zakken
    • Helmen & Kleding
      Allemaal uit Helmen & Kleding
      • Accessoires
      • Brillen & Vizieren
      • Handschoenen
      • Helmen
      • Jassen & Broeken
      • T-Shirts & Overhemden
    • Bonnen
    Tip van de dag
    Demontagegereedschap wielas voorwiel -BGM PRO- Vespa 125 V1-V15, V30-33, VM1-2, VN1, VN2, VNA, VNB , 150 VL, VB, VBA, VBB, VLA1, VGL1, VGLA1, VGLB1, Super, GL, T4, Sprint, GT, GTR, Rally, TS, Motovespa (1959-1964) 125N, 125S, 150S
    BGM PRO
    Demontagegereedschap wielas voorwiel -BGM PRO- Vespa 125 V1-V15, V30-33, VM1-2, VN1, VN2, VNA, VNB , 150 VL, VB, VBA, VBB, VLA1, VGL1, VGLA1, VGLB1, Super, GL, T4, Sprint, GT, GTR, Rally, TS, Motovespa (1959-1964) 125N, 125S, 150S
    24,90 €*
  • Klassieke Vespa
    • Motor
      Allemaal uit Motor
      • Aandrijving
      • Afdichtingen
      • Carburateur
      • Cilinder
      • Inlaatspruitstuk & membraan
      • Koeling
      • Koppeling
      • Krukas
      • Luchtfilter
      • Motor & behuizing
      • Motoren
      • Ontsteking
      • Revisieset
      • Schroeven & kleine onderdelen
      • Starter
      • Uitlaat
      • Versnellingsbak
    • Elektrische Installatie
      Allemaal uit Elektrische Installatie
      • Batterijen
      • Bougies
      • Instrumenten
      • Kabels
      • Lichtbron
      • Ontsteking & dynamo
      • Regelaar, gelijkrichter
      • Schakelaars
      • Schroeven & kleine onderdelen
      • Startmotor
      • Stekker
      • Verlichting
    • Chassis
      Allemaal uit Chassis
      • Banken
      • Belettering
      • Brandstofsysteem
      • Hoofd- en zijstandaard
      • Lager stuurkop
      • Onderdelen voor panelen
      • Schokdemper
      • Schroeven & kleine onderdelen
      • Vorken
    • Stuur
      Allemaal uit Stuur
      • Gas schakelhendels
      • Handgrepen
      • Instrumenten
      • Rem & koppeling
      • Schakelaars
      • Schroeven & kleine onderdelen
      • Spiegel
      • Stuur & kuipdelen
    • Bowdenkabels
      Allemaal uit Bowdenkabels
      • Besturingselementen
      • Kabeltrekken & sets
      • Klemnippels & stelschroeven
      • Remleidingen
      • Snelheidsmeterkabels
      • Tacho-aandrijvingen
    • Wielen
      Allemaal uit Wielen
      • Banden
      • Kleppen & kleine onderdelen
      • Remmen
      • Slangen
      • Velgen
      • Wielen
    • Onderhoud
      Allemaal uit Onderhoud
      • Filters
      • Gereedschap
      • Oliën
      • Stelt in
    • Olie & Chemie
      Allemaal uit Olie & Chemie
      • Afdichtmiddel
      • Bedrijfsmaterialen
      • Benodigdheden voor de workshop
      • Lakken en kleuren
      • Lijmen
      • Oliën
      • Onderhoudsproducten & reinigingsmiddelen
      • Vetten en smeermiddelen
    • Accessoires
      Allemaal uit Accessoires
      • Bagagedrager
      • Crashbar
      • Houders & accessoires voor mobiele telefoons
      • Koopwaar
      • Literatuur
      • Speciale accessoires
      • Tassen
      • TopCase
      • Werkplaatsuitrusting
      • Windschermen
    • Helmen & Kleding
      Allemaal uit Helmen & Kleding
      • Accessoires
      • Brillen & vizieren
      • Handschoenen
      • Helmen
      • Jassen & broeken
      • T-shirts
    Tip van de dag
    Koppelingsdeksel compleet -BGM Pro Superstrong CNC Vespa Largeframe (1962-2016)- Vespa PX, T5 125cc, Cosa, Rally, Sprint, VNB4T-VNB6T, VBB2T, VNC1T, VLA1T, VBC1T, VNL2T, VNL3T, zilver
    Bovenkant
    BGM PRO
    Koppelingsdeksel compleet -BGM Pro Superstrong CNC Vespa Largeframe (1962-2016)- Vespa PX, T5 125cc, Cosa, Rally, Sprint, VNB4T-VNB6T, VBB2T, VNC1T, VLA1T, VBC1T, VNL2T, VNL3T, zilver
    169,00 €*
  • Vespa Modern
    • Motor
      Allemaal uit Motor
      • Aandrijving
      • Afdichtingen
      • Carburateur
      • Cilinder
      • Injectiesysteem
      • Inlaatspruitstuk & membraan
      • Koeling
      • Koppeling
      • Krukas
      • Luchtfilter
      • Motor & behuizing
      • Motoren
      • Ontsteking
      • Revisieset
      • Schroeven & kleine onderdelen
      • Starter
      • Uitlaat
      • Versnellingsbak
    • Elektrisch systeem
      Allemaal uit Elektrisch systeem
      • Batterijen
      • Bougies
      • Instrumenten
      • Kabels
      • Lichtbron
      • Ontsteking & dynamo
      • Regelaar, gelijkrichter
      • Schakelaars
      • Schroeven & kleine onderdelen
      • Startmotor
      • Stekker
      • Verlichting
    • Frame & aanbouwdelen
      Allemaal uit Frame & aanbouwdelen
      • Banken
      • Belettering
      • Brandstofsysteem
      • Hoofd- en zijstandaard
      • Lager stuurkop
      • Onderdelen voor panelen
      • Schokdemper
      • Schroeven & kleine onderdelen
      • Vorken
    • Stuur & fittings
      Allemaal uit Stuur & fittings
      • Gas schakelhendels
      • Handgrepen
      • Instrumenten
      • Rem & koppeling
      • Schakelaars
      • Schroeven & kleine onderdelen
      • Spiegel
      • Stuur & kuipdelen
    • Bowdenkabels
      Allemaal uit Bowdenkabels
      • Besturingselementen
      • Kabeltrekken & sets
      • Klemnippels & stelschroeven
      • Remleidingen
      • Tacho-aandrijvingen
      • Toerentellerassen
    • Wielen
      Allemaal uit Wielen
      • Banden
      • Kleppen & kleine onderdelen
      • Remmen
      • Slangen
      • Velgen
      • Wielen
    • Service
      Allemaal uit Service
      • Filters
      • Gereedschap
      • Oliën
      • Schoner
      • Stelt in
      • V-snaar
    • Olie & chemie
      Allemaal uit Olie & chemie
      • Afdichtmiddel
      • Benodigdheden voor de workshop
      • Brandbare stoffen
      • Lakken & Verven
      • Lijmen
      • Oliën
      • Onderhoudsmiddelen & Reinigers
      • Vetten en smeermiddelen
    • Accessoires
      Allemaal uit Accessoires
      • Bagagedrager
      • Bescherming tegen diefstal
      • Crashbar
      • Houders & accessoires voor mobiele telefoons
      • Koopwaar
      • Literatuur
      • Speciale accessoires
      • Tassen
      • TopCase
      • Werkplaatsuitrusting
      • Windschermen
    • Helmen & Kleding
      Allemaal uit Helmen & Kleding
      • Accessoires
      • Brillen & vizieren
      • Handschoenen
      • Helmen
      • Jassen & broeken
      • T-shirts
    Tip van de dag
    Carter -MOTO NOSTRA- glanzend zwart - Vespa GTS 310 (2024-) - Vespa GTS MP3 HPE 310 (2024-)
    Bovenkant
    Moto Nostra
    Carter -MOTO NOSTRA- glanzend zwart - Vespa GTS 310 (2024-) - Vespa GTS MP3 HPE 310 (2024-)
    189,00 €*
  • Bromfiets Klassiek
    • Motor
      Allemaal uit Motor
      • Aandrijving
      • Afdichtingen
      • Carburateur
      • Cilinder
      • Inlaatspruitstuk & membraan
      • Koeling
      • Koppeling
      • Krukas
      • Luchtfilter
      • Motor & behuizing
      • Ontsteking
      • Revisieset
      • Schroeven & kleine onderdelen
      • Starter
      • Uitlaat
      • Versnellingsbak
    • Elektrisch systeem
      Allemaal uit Elektrisch systeem
      • Batterijen
      • Bougies
      • Instrumenten
      • Kabels
      • Lichtbron
      • Ontsteking & dynamo
      • Regelaar, gelijkrichter
      • Schakelaars
      • Schroeven & kleine onderdelen
      • Stekker
      • Verlichting
    • Frame & aanbouwdelen
      Allemaal uit Frame & aanbouwdelen
      • Banken
      • Belettering
      • Brandstofsysteem
      • Hoofd- en zijstandaard
      • Lager stuurkop
      • Onderdelen voor panelen
      • Schokdemper
      • Schroeven & kleine onderdelen
      • Vorken
    • Stuur & fittings
      Allemaal uit Stuur & fittings
      • Gas schakelhendels
      • Handgrepen
      • Instrumenten
      • Rem & koppeling
      • Schakelaars
      • Schroeven & kleine onderdelen
      • Spiegel
      • Stuur & kuipdelen
    • Bowdenkabels
      Allemaal uit Bowdenkabels
      • Besturingselementen
      • Kabeltrekken & sets
      • Klemnippels & stelschroeven
      • Snelheidsmeterkabels
      • Tacho-aandrijvingen
    • Wielen
      Allemaal uit Wielen
      • Banden
      • Kleppen & kleine onderdelen
      • Remmen
      • Slangen
      • Velgen
      • Wielen
    • Service
      Allemaal uit Service
      • Filters
      • Gereedschap
      • Oliën
    • Olie & chemie
      Allemaal uit Olie & chemie
      • Afdichtmiddel
      • Bedrijfsmaterialen
      • Benodigdheden voor de workshop
      • Lakken en kleuren
      • Lijmen
      • Oliën
      • Onderhoudsproducten & reinigingsmiddelen
      • Vetten en smeermiddelen
    • Accessoires
      Allemaal uit Accessoires
      • Bagagedrager
      • Bescherming tegen diefstal
      • Koopwaar
      • Literatuur
      • Speciale accessoires
      • Tassen
      • Werkplaatsuitrusting
    • Helmen & Kleding
      Allemaal uit Helmen & Kleding
      • Accessoires
      • Handschoenen
      • Helmen
      • T-shirts
    Tip van de dag
    Bussen-set -MC Vorkbussen- Ciao vorkpootarmen, voor revisie en stabilisatie van het voorwiel
    MC Proparts
    Bussen-set -MC Vorkbussen- Ciao vorkpootarmen, voor revisie en stabilisatie van het voorwiel
    17,90 €*
  • Lambretta
    • Motor
      Allemaal uit Motor
      • Aandrijving
      • Afdichtingen
      • Carburateur
      • Cilinder
      • Inlaatspruitstuk & membraan
      • Kickstarter
      • Koeling
      • Koppeling
      • Krukas
      • Luchtfilter
      • Motor & behuizing
      • Ontsteking
      • Revisiesets
      • Schroeven & kleine onderdelen
      • Uitlaat
      • Versnellingsbak
    • Elektrisch systeem
      Allemaal uit Elektrisch systeem
      • Batterijen
      • Bougies
      • Instrumenten
      • Kabelbomen
      • Lichtbron
      • Ontsteking & dynamo
      • Regelaar & gelijkrichter
      • Schakelaars
      • Schroeven & kleine onderdelen
      • Stekker
      • Verlichting
    • Frame & aanbouwdelen
      Allemaal uit Frame & aanbouwdelen
      • Banken
      • Belettering
      • Brandstofsysteem
      • Hoofstandaard
      • Lager stuurkop
      • Onderdelen voor panelen
      • Schokdemper
      • Schroeven & kleine onderdelen
      • Vorken
    • Stuur & fittings
      Allemaal uit Stuur & fittings
      • Gas schakelhendels
      • Handgrepen
      • Instrumenten
      • Rem & koppeling
      • Schakelaars
      • Schroeven & kleine onderdelen
      • Spiegel
      • Stuur & kuipdelen
    • Bowdenkabels
      Allemaal uit Bowdenkabels
      • Besturingselementen
      • Kabeltrekken & sets
      • Klemnippels & stelschroeven
      • Remleidingen
      • Snelheidsmeterkabels
      • Tacho-aandrijvingen
    • Wielen
      Allemaal uit Wielen
      • Banden
      • Kleppen & kleine onderdelen
      • Remmen
      • Slangen
      • Velgen
      • Wielen
    • Service
      Allemaal uit Service
      • Gereedschap
      • Oliën
      • Schoner
      • Stelt in
    • Olie & chemie
      Allemaal uit Olie & chemie
      • Afdichtmiddel
      • Bedrijfsmaterialen
      • Benodigdheden voor de workshop
      • Lakken en kleuren
      • Lijmen
      • Oliën
      • Onderhoudsproducten & reinigingsmiddelen
      • Vetten en smeermiddelen
    • Accessoires
      Allemaal uit Accessoires
      • Bagagedrager
      • Bescherming tegen diefstal
      • Crashbar
      • Houders & accessoires voor mobiele telefoons
      • Koopwaar
      • Literatuur
      • Speciale accessoires
      • Tassen
      • Werkplaatsuitrusting
      • Windschermen
    • Helmen & Kleding
      Allemaal uit Helmen & Kleding
      • Accessoires
      • Handschoenen
      • Helmen
      • Jassen & broeken
      • T-shirts
    Tip van de dag
    Cilinder -BGM PRO MRB-Racetour 225 ccm- Lambretta TV 200, SX 200, DL 200, GP 200
    BGM PRO
    Cilinder -BGM PRO MRB-Racetour 225 ccm- Lambretta TV 200, SX 200, DL 200, GP 200
    525,00 €*
  • Scooter 50-850cc
    • Motor
      Allemaal uit Motor
      • Aandrijving
      • Afdichtingen
      • Cilinder
      • Injectiesysteem
      • Inlaatpijp & Membraan
      • Koeling
      • Koppeling
      • Krukas
      • Luchtfilter
      • Motorbehuizing
      • Motoren
      • Ontsteking
      • Revisieset
      • Schroeven & Kleine Onderdelen
      • Startmotor Kickstarter
      • Uitlaat
      • Vergasser
      • Versnellingbak
    • Elektrisch systeem
      Allemaal uit Elektrisch systeem
      • Batterijen
      • Bougies
      • Instrumenten
      • Kabel
      • Ontsteking & Dynamo
      • Regelaar, Gelijkerichtaar
      • Schakelaar
      • Schroeven & Kleine Onderdelen
      • Starter
      • Stekker
      • Verlichting
      • Verlichting
    • Frame & aanbouwdelen
      Allemaal uit Frame & aanbouwdelen
      • Banken
      • Belettering
      • Brandstofsysteem
      • Hoofd- en zijstandaard
      • Lager stuurkop
      • Onderdelen voor panelen
      • Schokdemper
      • Schroeven & kleine onderdelen
      • Vorken
    • Stuur & fittings
      Allemaal uit Stuur & fittings
      • Gas schakelhendels
      • Handgrepen
      • Instrumenten
      • Rem & koppeling
      • Schakelaars
      • Schroeven & kleine onderdelen
      • Spiegel
      • Stuur & kuipdelen
    • Bowdenkabels
      Allemaal uit Bowdenkabels
      • Besturingselementen
      • Kabeltrekken & sets
      • Klemnippels & stelschroeven
      • Remleidingen
      • Snelheidsmeterkabels
      • Tacho-aandrijvingen
    • Wielen
      Allemaal uit Wielen
      • Banden
      • Kleppen & kleine onderdelen
      • Remmen
      • Slangen
      • Velgen
      • Wielen
    • Service
      Allemaal uit Service
      • Filters
      • Gereedschap
      • Keilriem
      • Oliën
      • Reiniger
      • Stelt in
    • Olie & chemie
      Allemaal uit Olie & chemie
      • Afdichtmiddel
      • Benodigdheden voor de workshop
      • Brandstoffen
      • Lakken en kleuren
      • Lijmen
      • Oliën
      • Onderhoudsproducten & reinigingsmiddelen
      • Vetten en smeermiddelen
    • Accessoires
      Allemaal uit Accessoires
      • Bagagedrager
      • Bescherming tegen diefstal
      • Drosselkleppen & Toerentalbegrenzer
      • Koopwaar
      • Literatuur
      • Smartphonehouders & Accessoires
      • Speciale accessoires
      • Tassen
      • TopCase
      • Valbeugel
      • Werkplaatsuitrusting
      • Windschermen
    • Helmen & Kleding
      Allemaal uit Helmen & Kleding
      • Accessoires
      • Brillen & Vizieren
      • Handschoenen
      • Helmen
      • Jassen & Broeken
      • T-shirts
    Tip van de dag
    Membraanblok -POLINI Original- Minarelli 50-100 ccm (horizontaal), Suzuki/Aprilia 50 ccm, CPI, Keeway, Sachs
    Polini
    Membraanblok -POLINI Original- Minarelli 50-100 ccm (horizontaal), Suzuki/Aprilia 50 ccm, CPI, Keeway, Sachs
    18,90 €*
  1. Exploded views
  2. Vespa LX/LXV/S 50
  3. Vespa LX/LX Touring 50 (2-Takt, 2004-2013, ZAPC38101)
Motor
Elektrisch systeem
Frame & aanbouwdelen
Stuur & fittings
Bowdenkabels
Wielen
Service
Olie & chemie
Accessoires
Helmen & Kleding
Vespa LX 50 (2-Takt, 2004, ZAPC38101)
  • Exploded views
    • Aandrijvende Poelie
    • Aangedreven Poelies
    • Achterdemper
    • Achterlicht - Knipperlicht
    • Achteruitkijkspiegel
    • Achterwiel
    • Bagageruimte
    • Balhoofd - Balhoofdlagerkit
    • Behuizingsdeksel
    • Benzinetank
    • Carburateur - Inlaatspruitstuk
    • Carburateurcomponenten
    • Carter
    • Cascade - Sierlijsten
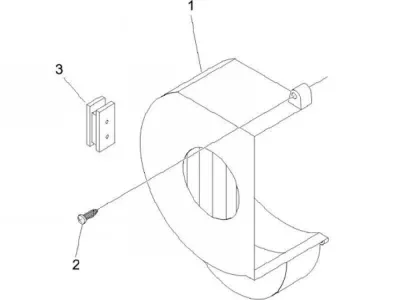
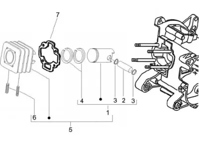
    • Cilinder - Zuiger
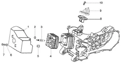
    • Cilinderkop
    • Decals
    • Dynamo
    • Frame
    • Helmruimte
    • Hoofdstandaard - Zijstandaard
    • Instrumentengroep
    • Kabelboom
    • Kentekenhouder
    • Koplamp - Richtingaanwijzer
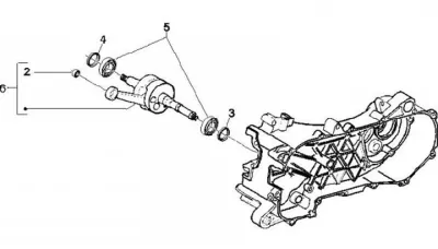
    • Krukas
    • Luchtfilter
    • Luchtfilterhuis
    • Motor - Motordichtset
    • Oliepomp
    • Olietank
    • Regelaar - Stuurapparaat - Bobine
    • Remklauwen - Remleidingen
    • Remschoenen Achter
    • Schakelaar
    • Schakelaar - Accu - Claxon
    • Slotset - Contactschakelaar
    • Snelheidsmeterkabel - Achterremkabel
    • Spatbord Voor - Spatbord Achter
    • Startmotor - Kickstartpedaal
    • Stuur
    • Stuurkap
    • Uitlaatdemper
    • Versnellingsbak
    • Vliegwieldeksel
    • Voetruimteafdekkingen
    • Voorwiel
    • Zadel
    • Zijkappen
    • Zwenkarm
Exploded views
Vespa LX 50 (2-Takt, 2004, ZAPC38101)
Aandrijvende Poelie
Aandrijvende Poelie
Aangedreven Poelies
Aangedreven Poelies
Achterdemper
Achterdemper
Achterlicht - Knipperlicht
Achterlicht - Knipperlicht
Achteruitkijkspiegel
Achteruitkijkspiegel
Achterwiel
Achterwiel
Bagageruimte
Bagageruimte
Balhoofd - Balhoofdlagerkit
Balhoofd - Balhoofdlagerkit
Behuizingsdeksel
Behuizingsdeksel
Benzinetank
Benzinetank
Carburateur - Inlaatspruitstuk
Carburateur - Inlaatspruitstuk
Carburateurcomponenten
Carburateurcomponenten
Carter
Carter
Cascade - Sierlijsten
Cascade - Sierlijsten
Cilinder - Zuiger
Cilinder - Zuiger
Cilinderkop
Cilinderkop
Decals
Decals
Dynamo
Dynamo
Frame
Frame
Helmruimte
Helmruimte
Hoofdstandaard - Zijstandaard
Hoofdstandaard - Zijstandaard
Instrumentengroep
Instrumentengroep
Kabelboom
Kabelboom
Kentekenhouder
Kentekenhouder
Koplamp - Richtingaanwijzer
Koplamp - Richtingaanwijzer
Krukas
Krukas
Luchtfilter
Luchtfilter
Luchtfilterhuis
Luchtfilterhuis
Motor - Motordichtset
Motor - Motordichtset
Oliepomp
Oliepomp
Olietank
Olietank
Regelaar - Stuurapparaat - Bobine
Regelaar - Stuurapparaat - Bobine
Remklauwen - Remleidingen
Remklauwen - Remleidingen
Remschoenen Achter
Remschoenen Achter
Schakelaar
Schakelaar
Schakelaar - Accu - Claxon
Schakelaar - Accu - Claxon
Slotset - Contactschakelaar
Slotset - Contactschakelaar
Snelheidsmeterkabel - Achterremkabel
Snelheidsmeterkabel - Achterremkabel
Spatbord Voor - Spatbord Achter
Spatbord Voor - Spatbord Achter
Startmotor - Kickstartpedaal
Startmotor - Kickstartpedaal
Stuur
Stuur
Stuurkap
Stuurkap
Uitlaatdemper
Uitlaatdemper
Versnellingsbak
Versnellingsbak
Vliegwieldeksel
Vliegwieldeksel
Voetruimteafdekkingen
Voetruimteafdekkingen
Voorwiel
Voorwiel
Zadel
Zadel
Zijkappen
Zijkappen
Zwenkarm
Zwenkarm
Meld u aan voor de Scooter Center Nieuwsbrief
Voer uw e-mailadres in
Meld je nu aan voor onze nieuwsbrief en ontvang €5 korting op je volgende bestelling van €50 of meer!
Blijf altijd up-to-date - met nieuws, promoties en exclusieve aanbiedingen voor scooters & tuning.
U kunt zich op elk gewenst moment weer afmelden. Uw gegevens worden niet doorgegeven aan derden.
Scooter Center
zeer goed 4.7 / 5
Scooter Center
Over ons
Contact met ons opnemen
Contact met ons opnemen
Openingstijden
Voor dealers
Carrière pagina
Onze verantwoordelijkheid/ESG
 
Service
Verzendkosten
Betaalmethoden/prijzen
Retourneren
Koop voucher
Directe bestelling
Geëxplodeerde weergaven
FAQ
Betaling en verzending
Sie können im Shop mit paypal zahlen Sie können im Shop per Vorkasse zahlen Sie können im Shop mit Kreditkarte zahlen Sie können im Shop mit Google Pay zahlen Sie können im Shop mit Apple Pay zahlen Sie können im Shop per Nachnahme zahlen Sie können im Shop mit Trustly zahlen Sie können im Shop mit iDEAL zahlen Sie können im Shop mit bancontact zahlen Sie können im Shop mit Bancomat Pay zahlen Sie können im Shop mit Amex zahlen Sie können im Shop mit BLIK zahlen
Gratis verzending vanaf een bestelwaarde van 99 euro voor alle eindklanten binnen Duitsland.
Wir versenden mit DHL Wir versenden mit ups Wir versenden mit DPD Wir versenden mit Fedex Click & Collect
Artikel zonder TÜV en ABE tenzij anders aangegeven. Levertijden hebben betrekking op leveringen binnen Duitsland.
Alle rechten voorbehouden © 2025 Scooter Center GmbH
Juridische zaken
Milieu Verordening betreffende kleine elektrische onderdelen Recht op annulering AGB & klanteninformatie Cookie-instellingen Wettelijke kennisgeving Privacybeleid
* incl. BTW plus verzendkosten