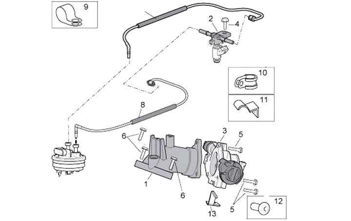
Gasklephuis
Aprilia Scarabeo Light 500 (2006-2008, ZD4VR)
Sorteer