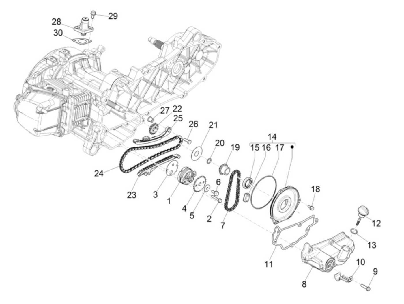
Oliepomp
Vespa Sprint 50 IGET (4-Takt. 2021, ZAPCD0201) Racing Sixties, 2
Sorteer