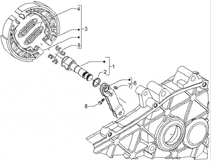
Remschoenen Achter
Piaggio Liberty 200 (2006, ZAPM38401)
Sorteer