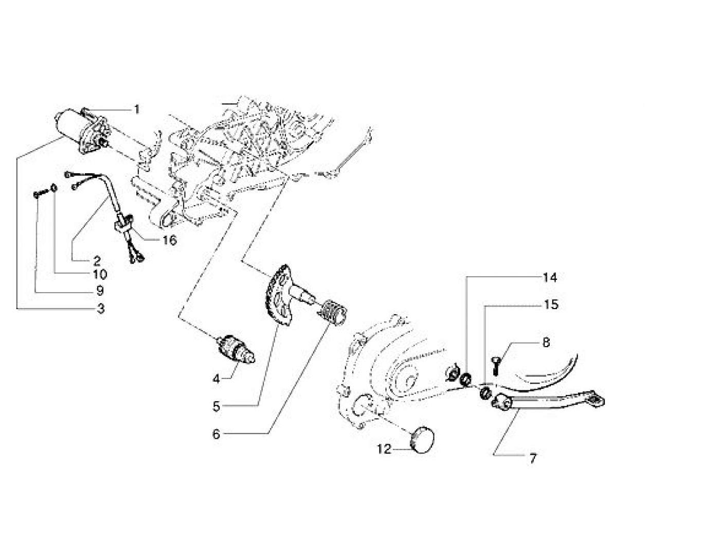
Startmotor
Vespa ET2 50 Iniezione (1999, ZAPC12000)
Sorteer