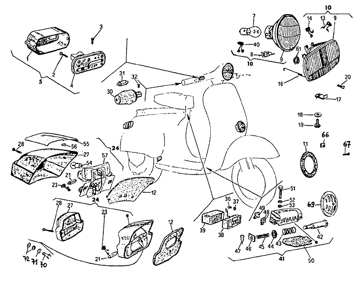
Verlichting
Vespa 50 N Special (V5B3T -97624)
Sorteer