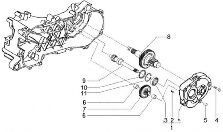
Versnellingsbak
Gilera Runner 50 RST SP Sport Soul (2013, ZAPC46100)
Sorteer