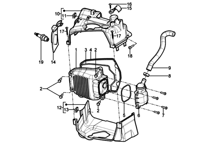
Cylinder cowling
Piaggio TPH 125 (2011, LBMM70100)
Sort