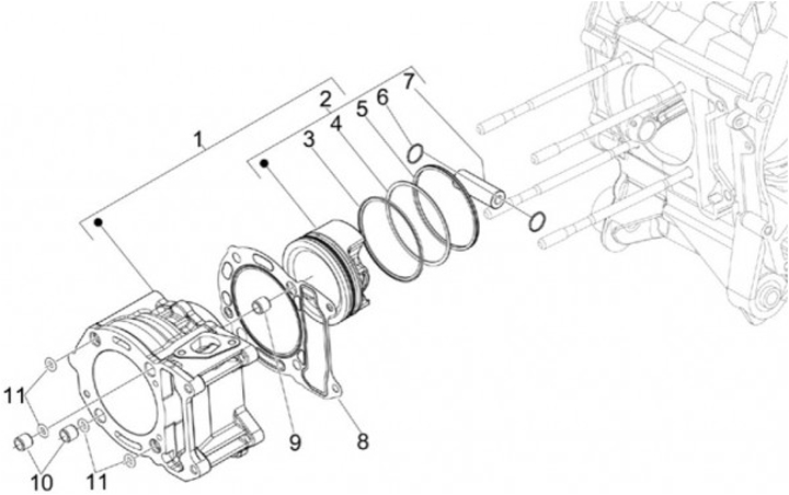
Cylinder
Vespa GTS 300ie Super (2014, ZAPM45200)
Sort