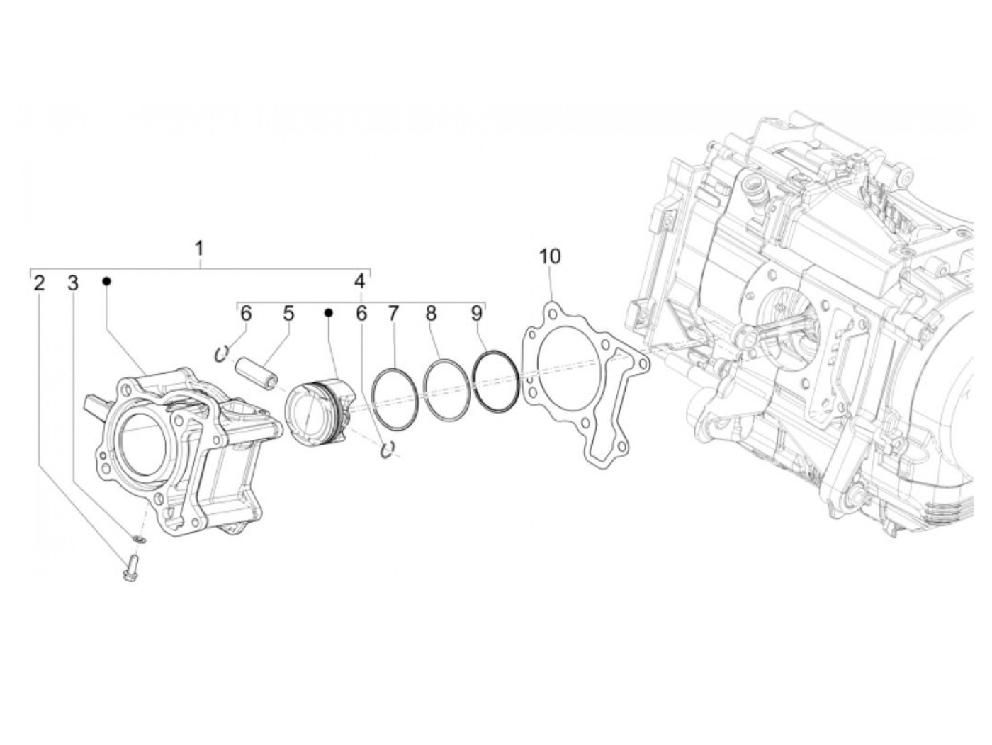
Cylinder
Vespa GTS 125 IGET Super (2019-2020, ZAPMA3700)
Sort