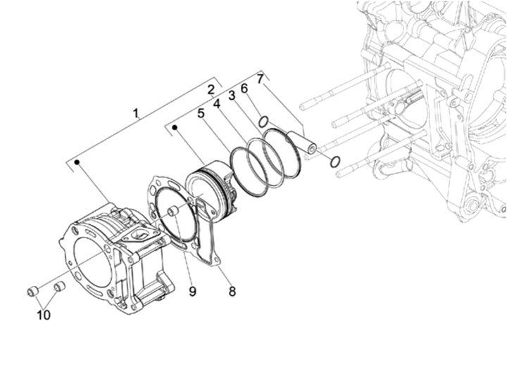
Cylinder
Piaggio X10 125 Elegance (2012, ZAPM76101)
Sort