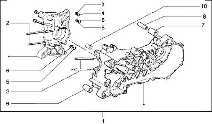
Engine casing
Gilera Stalker 50 (1998, ZAPC13000)
Sort