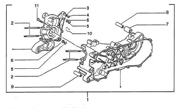
Engine casing
Piaggio Zip 50 II (2-stroke, 2001, ZAPC25000)
Sort