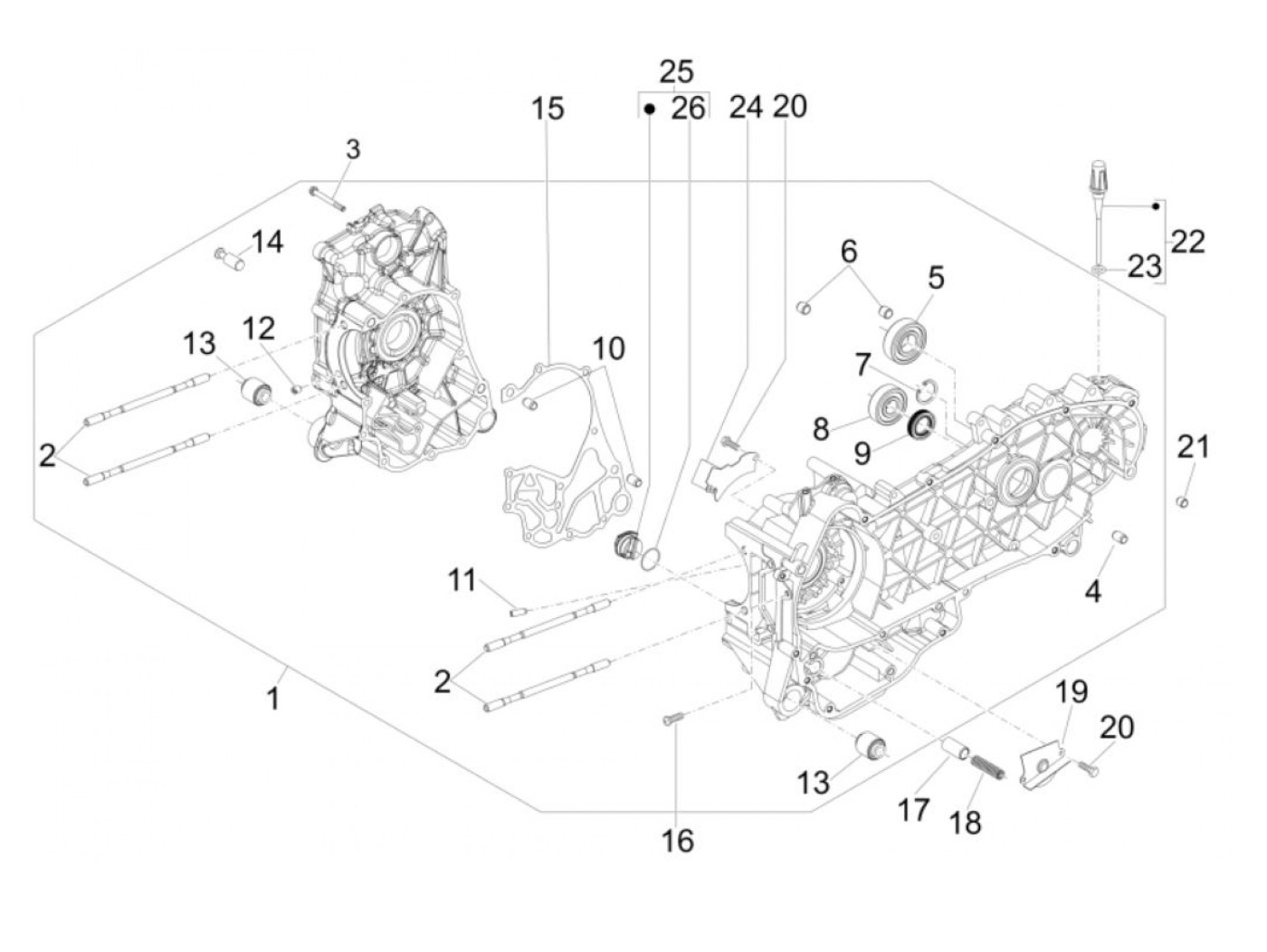
Engine casing
Vespa GTS 300ie (2016, ZAPM45202) 70-years
Sort