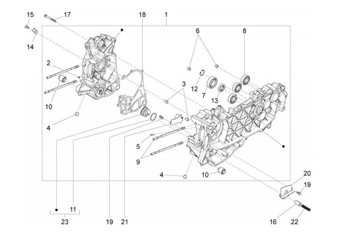
Engine casing
Vespa Primavera 150 (2016, ZAPM81200)
Sort