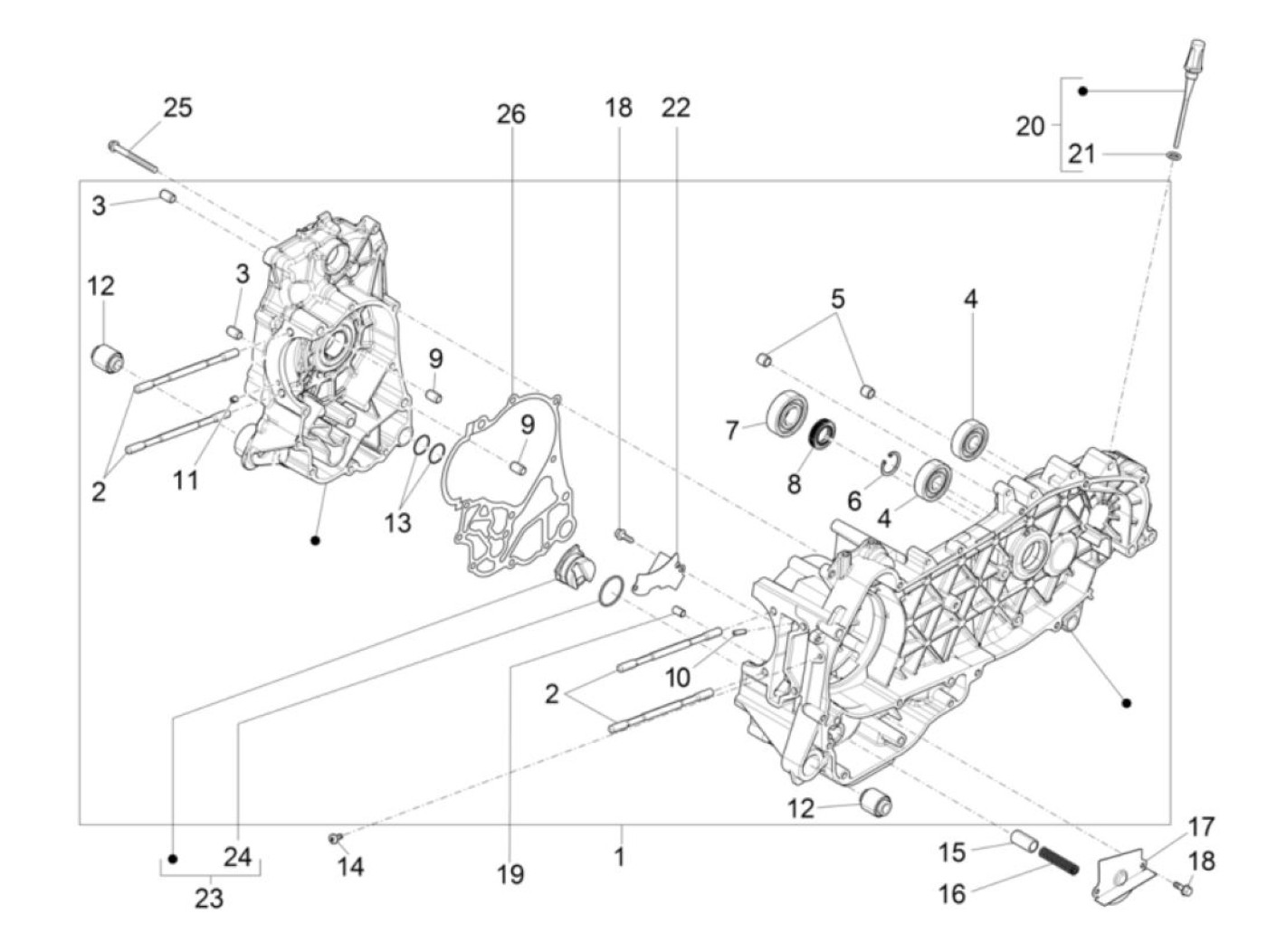
Engine casing
Vespa GTV 300 HPE (2021, ZAPMA361)
Sort