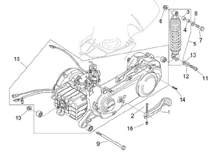
Engine
Aprilia Mojito 50 Custom (1999-2001, ZD4PKA1)
Sort