very good
4.7 / 5
Shipping today with order in 2 h 25 min
Postage free from 99€ (DE) High customer satisfaction
Contact |Privacy |AGB & Customer Info |Imprint
Shipping today with order in 2 h 25 min
Piaggio Beverly 350 Sport Touring (2014, ZAPM69300) | Exploded views | Beverly 350 Sport Touring (2014, ZAPM69300) | Piaggio 350/400/500/530 4T LC Piaggio Beverly 350 Sport Touring (2014, ZAPM69300) | Exploded views | Beverly 350 Sport Touring (2014, ZAPM69300) | Piaggio 350/400/500/530 4T LC
Blog DE DE  |  €
My garage
password forgotten?
Create new customer account
0
  • all
    • Motor
      All off Motor
      • Air filter
      • Carburetor
      • Clutch
      • Cooling
      • Crankshaft
      • Cylinder
      • Drive
      • Exhaust
      • Gearbox
      • Ignition
      • Injection system
      • Intake manifold & diaphragm
      • Motor & housing
      • Motors
      • Overhaul set
      • Screws & small parts
      • Seals
      • Starter
    • Electrical system
      All off Electrical system
      • Batteries
      • Cables
      • Ignition & alternator
      • Instruments
      • Light source
      • Lighting
      • Regulator, rectifier
      • Screws & small parts
      • sockets & plugs
      • Spark plugs
      • Starter motor
      • Switches
    • Frame & add-on parts
      All off Frame & add-on parts
      • Cladding parts
      • Forks
      • Fuel system
      • Lettering
      • Main & side stand
      • Screws & small parts
      • Seats
      • Shock absorber
      • Steering head bearing
    • Handlebars & fittings
      All off Handlebars & fittings
      • Brake & clutch
      • Gas shift handles
      • Handlebars & fairing parts
      • Handles
      • Instruments
      • Mirror
      • Screws & small parts
      • Switches
    • Bowden cables
      All off Bowden cables
      • Brake lines
      • Cable pulls & sets
      • Clamping nipples & adjusting screws
      • Control elements
      • Speedometer cables
      • Tacho drives
    • Wheels
      All off Wheels
      • Brakes
      • Hoses
      • Rims
      • Tires
      • Valves & small parts
      • Wheels
    • Service
      All off Service
      • Filter
      • Oils
      • Sets
      • Tool
      • V-belt
    • Oil & Chemistry
      All off Oil & Chemistry
      • Adhesives
      • Care products & cleaners
      • Greases & Lubricants
      • Lacquers & paints
      • Oils
      • Operating materials
      • Sealant
      • Workshop supplies
    • Accessories
      All off Accessories
      • Bags
      • Crash bars
      • Literature
      • Luggage racks
      • Merchandise
      • Mobile phone mounts & accessories
      • Rev limiters
      • Special accessories
      • Theft protection
      • Topcase
      • Windshields
      • Workshop Equipment
    • Helmets & Clothing
      All off Helmets & Clothing
      • Accessories
      • Gloves
      • Goggles & Visors
      • Helmets
      • Jackets & Trousers
      • T-Shirt & Hemden
    • Vouchers
    Tip of the day
    Brake cleaner -NORMFEST MC1- 500ml
    Normfest
    Brake cleaner -NORMFEST MC1- 500ml
    4,90 €*
  • Vespa Classic
    • Engines
      All off Engines
      • Air filter
      • Carburetor
      • Clutch
      • Cooling
      • Crankshaft
      • Cylinder
      • Drive
      • Exhaust
      • Gearbox
      • Ignition
      • Intake manifold & diaphragm
      • Motor & housing
      • Motors
      • Revision set
      • Screws & small parts
      • Seals
      • Starter
    • Electrical system
      All off Electrical system
      • Batteries
      • Cables
      • Ignition & alternator
      • Instruments
      • Light source
      • Lighting
      • Plug
      • Regulator, rectifier
      • Screws & small parts
      • Spark plugs
      • Starter motor
      • Switches
    • Chassis
      All off Chassis
      • Benches
      • Cladding parts
      • Forks
      • Fuel system
      • Lettering
      • Main & side stand
      • Screws & small parts
      • Shock absorber
      • Steering head bearing
    • Handlebar
      All off Handlebar
      • Brake & clutch
      • Gas shift handles
      • Handlebars & fairing parts
      • Handles
      • Instruments
      • Mirror
      • Screws & small parts
      • Switches
    • Bowden cables
      All off Bowden cables
      • Brake lines
      • Cable pulls & sets
      • Clamping nipples & adjusting screws
      • Control elements
      • Speedometer cables
      • Tacho drives
    • Wheels
      All off Wheels
      • Brakes
      • Hoses
      • Rims
      • Tires
      • Valves & small parts
      • Wheels
    • Service
      All off Service
      • Filter
      • Oils
      • Sets
      • Tool
    • Oil & Chemistry
      All off Oil & Chemistry
      • Adhesives
      • Care products & cleaners
      • Greases & Lubricants
      • Lacquers & paints
      • Oils
      • Operating materials
      • Sealant
      • Workshop supplies
    • Accessories
      All off Accessories
      • Bags
      • Crash bar
      • Literature
      • Luggage carrier
      • Merchandise
      • Smartphone holders & accessories
      • Special accessories
      • TopCase
      • Wind shields
      • Workshop equipment
    • Helmets & Clothing
      All off Helmets & Clothing
      • Accessories
      • Glasses & visors
      • Gloves
      • Helmets
      • Jackets & pants
      • T-shirt & shirts
    Tip of the day
    Tires -BGM Sport (Made in Germany by Heidenau)- 3.50 - 10 inch TL 59S 180 km/h (reinforced) - only for tubeless rims
    Top
    BGM PRO
    Tires -BGM Sport (Made in Germany by Heidenau)- 3.50 - 10 inch TL 59S 180 km/h (reinforced) - only for tubeless rims
    59,00 €*
  • Vespa Modern
    • Motor
      All off Motor
      • Air filter
      • Carburetor
      • Clutch
      • Cooling
      • Crankshaft
      • Cylinder
      • Drive
      • Exhaust
      • Gearbox
      • Ignition
      • Injection system
      • Intake manifold & diaphragm
      • Motor & housing
      • Motors
      • Revision set
      • Screws & small parts
      • Seals
      • Starter
    • Electrical system
      All off Electrical system
      • Batteries
      • Cables
      • Ignition & alternator
      • Instruments
      • Light source
      • Lighting
      • Plug
      • Regulator, rectifier
      • Screws & small parts
      • Spark plugs
      • Starter motor
      • Switches
    • Frame & add-on parts
      All off Frame & add-on parts
      • Benches
      • Cladding parts
      • Forks
      • Fuel system
      • Lettering
      • Main & side stand
      • Screws & small parts
      • Shock absorber
      • Steering head bearing
    • Handlebars & fittings
      All off Handlebars & fittings
      • Brake & clutch
      • Gas shift handles
      • Handlebars & fairing parts
      • Handles
      • Instruments
      • Mirror
      • Screws & small parts
      • Switches
    • Bowden cables
      All off Bowden cables
      • Brake lines
      • Cable pulls & sets
      • Clamping nipples & adjusting screws
      • Control elements
      • Speedometer cables
      • Tacho drives
    • Wheels
      All off Wheels
      • Brakes
      • Hoses
      • Rims
      • Tires
      • Valves & small parts
      • Wheels
    • Service
      All off Service
      • Cleaner
      • Filter
      • Oils
      • Sets
      • Tool
      • V-belt
    • Oil & Chemistry
      All off Oil & Chemistry
      • Adhesives
      • Care products & cleaners
      • Greases & Lubricants
      • Lacquers & paints
      • Oils
      • Operating materials
      • Sealant
      • Workshop supplies
    • Accessories
      All off Accessories
      • Bags
      • Crash bar
      • Literature
      • Luggage carrier
      • Merchandise
      • Smartphone holders & accessories
      • Special accessories
      • Theft protection
      • TopCase
      • Wind shields
      • Workshop equipment
    • Helmets & Clothing
      All off Helmets & Clothing
      • Accessories
      • Glasses & visors
      • Gloves
      • Helmets
      • Jackets & pants
      • T-shirt & shirts
    Tip of the day
    Intake manifold -POLINI- Piaggio 125-150 4T 2V AC- (1st generation / pre Leader) - Piaggio Sfera, Liberty, Aprilia Habana, Mojito, Vespa ET4, Italjet Torpedo, Benelli Adiva - 1 vacuum connection
    Polini
    Intake manifold -POLINI- Piaggio 125-150 4T 2V AC- (1st generation / pre Leader) - Piaggio Sfera, Liberty, Aprilia Habana, Mojito, Vespa ET4, Italjet Torpedo, Benelli Adiva - 1 vacuum connection
    17,19 €*
  • Moped classic
    • Motor
      All off Motor
      • Air filter
      • Carburetor
      • Clutch
      • Cooling
      • Crankshaft
      • Cylinder
      • Drive
      • Exhaust
      • Gearbox
      • Ignition
      • Intake manifold & diaphragm
      • Motor & housing
      • Revision set
      • Screws & small parts
      • Seals
      • Starter
    • Electrical system
      All off Electrical system
      • Batteries
      • Cables
      • Ignition & alternator
      • Instruments
      • Light source
      • Lighting
      • Plug
      • Regulator, rectifier
      • Screws & small parts
      • Spark plugs
      • Switches
    • Frame & add-on parts
      All off Frame & add-on parts
      • Benches
      • Cladding parts
      • Forks
      • Fuel system
      • Lettering
      • Main & side stand
      • Screws & small parts
      • Shock absorber
      • Steering head bearing
    • Handlebars & fittings
      All off Handlebars & fittings
      • Brake & clutch
      • Gas shift handles
      • Handlebars & fairing parts
      • Handles
      • Instruments
      • Mirror
      • Screws & small parts
      • Switches
    • Bowden cables
      All off Bowden cables
      • Cable pulls & sets
      • Clamping nipples & adjusting screws
      • Control elements
      • Speedometer cables
      • Tacho drives
    • Wheels
      All off Wheels
      • Brakes
      • Hoses
      • Rims
      • Tires
      • Valves & small parts
      • Wheels
    • Service
      All off Service
      • Filter
      • Oils
      • Tool
    • Oil & Chemistry
      All off Oil & Chemistry
      • Adhesives
      • Care products & cleaners
      • Greases & Lubricants
      • Lacquers & paints
      • Oils
      • Operating materials
      • Sealant
      • Workshop supplies
    • Accessories
      All off Accessories
      • Bags
      • Literature
      • Luggage carrier
      • Merchandise
      • Special accessories
      • Theft protection
      • Workshop equipment
    • Helmets & Clothing
      All off Helmets & Clothing
      • Accessories
      • Gloves
      • Helmets
      • T-shirt & shirts
    Tip of the day
    Saddle cover -MOTO NOSTRA- Piaggio Ciao - black
    Moto Nostra
    Saddle cover -MOTO NOSTRA- Piaggio Ciao - black
    29,90 €*
  • Lambretta
    • Motor
      All off Motor
      • Air filter
      • Carburetor
      • Clutch
      • Cooling
      • Crankshaft
      • Cylinder
      • Drive
      • Exhaust
      • Gasket
      • Gearbox
      • Ignition
      • Intake manifold & diaphragm
      • Kickstarter
      • Motor & housing
      • Revision sets
      • Screws & small parts
    • Electrical system
      All off Electrical system
      • Batteries
      • Cable harnesses
      • Ignition & alternator
      • Instruments
      • Light source
      • Lighting
      • Plug
      • Regulator & rectifier
      • Screws & small parts
      • Spark plugs
      • Switches
    • Frame & add-on parts
      All off Frame & add-on parts
      • Benches
      • Cladding parts
      • Forks
      • Fuel system
      • Lettering
      • Main stand
      • Screws & small parts
      • Shock absorber
      • Steering head bearing
    • Handlebars & fittings
      All off Handlebars & fittings
      • Brake & clutch
      • Gas shift handles
      • Handlebars & fairing parts
      • Handles
      • Instruments
      • Mirror
      • Screws & small parts
      • Switches
    • Bowden cables
      All off Bowden cables
      • Brake hoses
      • Cable pulls & sets
      • Clamping nipples & adjusting screws
      • Control elements
      • Speedometer cables
      • Tacho drives
    • Wheels
      All off Wheels
      • Brakes
      • Hoses
      • Rims
      • Tires
      • Valves & small parts
      • Wheels
    • Service
      All off Service
      • Cleaner
      • Oils
      • Sets
      • Tool
    • Oil & Chemistry
      All off Oil & Chemistry
      • Adhesives
      • Care products & cleaners
      • Greases & Lubricants
      • Lacquers & paints
      • Oils
      • Operating materials
      • Sealant
      • Workshop supplies
    • Accessories
      All off Accessories
      • Bags
      • Crash bar
      • Literature
      • Luggage carrier
      • Merchandise
      • Smartphone holders & accessories
      • Special accessories
      • Theft protection
      • Wind shields
      • Workshop equipment
    • Helmets & Clothing
      All off Helmets & Clothing
      • Accessories
      • Gloves
      • Helmets
      • Jackets & pants
      • T-shirt & shirts
    Tip of the day
    Exhaust -BGM PRO MZ30 Franspeed by Andy Francis Scooters- Lambretta Series 3 - without silencer - black - LI 125, LI 150, LiS 125, LiS 150, TV 175, SX, TV, GT, GP 125, 150, 200
    BGM PRO
    Exhaust -BGM PRO MZ30 Franspeed by Andy Francis Scooters- Lambretta Series 3 - without silencer - black - LI 125, LI 150, LiS 125, LiS 150, TV 175, SX, TV, GT, GP 125, 150, 200
    439,00 €*
  • Scooter 50-850cc
    • Motor
      All off Motor
      • Air intake filters
      • Carburettors
      • Clutch
      • Cooling
      • Crankshaft
      • Cylinders
      • Drive
      • Engine casing
      • Engines
      • Exhaust
      • Gaskets
      • Gear boxes
      • Ignition
      • Injection system
      • Intake manifold & reed valve
      • Overhaul set
      • Screws & small parts
      • Starter
    • Electrical system
      All off Electrical system
      • Batteries
      • Display instruments
      • Electric wires
      • Ignition & Alternator
      • Lamps
      • lighting
      • Regulator, rectifier
      • Screws & small parts
      • sockets & plugs
      • Spark plugs
      • starter
      • Switches
    • Frame & add-on parts
      All off Frame & add-on parts
      • Benches
      • Cladding parts
      • Forks
      • Fuel system
      • Lettering
      • Main & side stand
      • Screws & small parts
      • Shock absorber
      • Steering head bearing
    • Handlebars & fittings
      All off Handlebars & fittings
      • Brake & clutch
      • Gas shift handles
      • Handlebars & fairing parts
      • Handles
      • Instruments
      • Mirror
      • Screws & small parts
      • Switches
    • Bowden cables
      All off Bowden cables
      • Brake lines
      • Cable pulls & sets
      • Control elements
      • Speedometer cables
      • Tacho drives
      • Trunions & adjusting screws
    • Wheels
      All off Wheels
      • Brakes
      • Hoses
      • Rims
      • Tires
      • Valves & small parts
      • Wheels
    • Service
      All off Service
      • Cleaner
      • Filter
      • Oils
      • Sets
      • Tool
      • V-belts
    • Oil & Chemistry
      All off Oil & Chemistry
      • Adhesives
      • Care products & cleaners
      • Greases & Lubricants
      • Lacquers & paints
      • Oils
      • Operating fluids
      • Sealant
      • Workshop supplies
    • Accessories
      All off Accessories
      • Bags
      • Crash bars
      • Literature
      • Luggage racks
      • Merchandise
      • Mobile phone mounts & accessories
      • Rev limiters
      • Special accessories
      • Theft protection
      • Topcase
      • Wind shields
      • Workshop equipment
    • Helmets & Clothing
      All off Helmets & Clothing
      • Accessories
      • Gloves
      • Goggles & Visors
      • Helmets
      • Jackets & Trousers
      • T-shirt & shirts
    Tip of the day
    Reed valve -POLINI Original- Minarelli 50-100 ccm (horizontal), Suzuki/Aprilia 50 ccm, CPI, Keeway, Sachs
    %
    Polini
    Reed valve -POLINI Original- Minarelli 50-100 ccm (horizontal), Suzuki/Aprilia 50 ccm, CPI, Keeway, Sachs
    14,03 €* 18,90 €*
  1. Piaggio 350/400/500/530 4T LC
  2. Beverly 350 Sport Touring (2014, ZAPM69300)
  3. Explosionszeichnungen
Motor
Electrical system
Frame & add-on parts
Handlebars & fittings
Bowden cables
Wheels
Service
Oil & Chemistry
Accessories
Helmets & Clothing
Piaggio Beverly 350 Sport Touring (2014, ZAPM69300)
  • Exploded views
    • Air intake filter
    • Battery
    • Brake system
    • Brake system (ABS)
    • Centre stand
    • Chassis
    • Crankshaft
    • Cylinder
    • Cylinder cowling
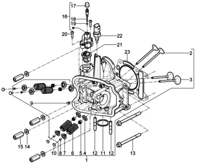
    • Cylinder head
    • Decor
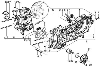
    • Engine
    • Engine casing
    • Engine casing cover
    • Exhaust
    • Footboard
    • Fork front wheel
    • Fork parts
    • Front wheel
    • Fuel pump
    • Fuel tank
    • Gears
    • Handlebar
    • Handlebar top
    • Headlight
    • Helmet box
    • Ignition cover
    • Legshield
    • Licence plate holder
    • Lock set
    • Mirror
    • Mudguard
    • Oil pump
    • Radiator
    • Rear pulley - clutch
    • Rear rack
    • Rear shock absorber
    • Rear wheel
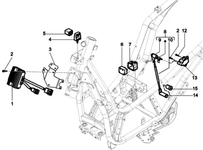
    • Regulator
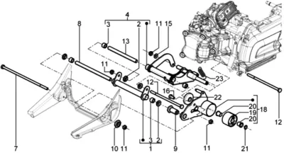
    • Rocker bar
    • Rocker bar mounting
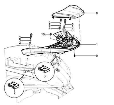
    • Seat
    • Side cover
    • Speedo
    • Starter motor
    • Stator
    • Switch
    • Tail light
    • Throttle housing
    • Toolbox
    • Variator - CVT
    • Water pump
    • Windscreen
    • Wiring harness
Exploded views
Piaggio Beverly 350 Sport Touring (2014, ZAPM69300)
Air intake filter
Air intake filter
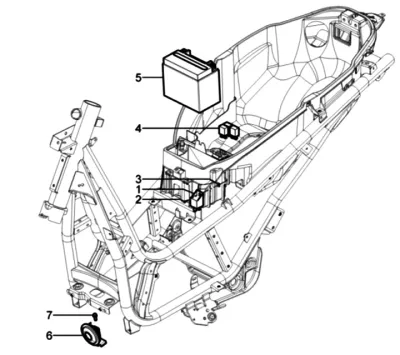
Battery
Battery
Brake system
Brake system
Brake system (ABS)
Brake system (ABS)
Centre stand
Centre stand
Chassis
Chassis
Crankshaft
Crankshaft
Cylinder
Cylinder
Cylinder cowling
Cylinder cowling
Cylinder head
Cylinder head
Decor
Decor
Engine
Engine
Engine casing
Engine casing
Engine casing cover
Engine casing cover
Exhaust
Exhaust
Footboard
Footboard
Fork front wheel
Fork front wheel
Fork parts
Fork parts
Front wheel
Front wheel
Fuel pump
Fuel pump
Fuel tank
Fuel tank
Gears
Gears
Handlebar
Handlebar
Handlebar top
Handlebar top
Headlight
Headlight
Helmet box
Helmet box
Ignition cover
Ignition cover
Legshield
Legshield
Licence plate holder
Licence plate holder
Lock set
Lock set
Mirror
Mirror
Mudguard
Mudguard
Oil pump
Oil pump
Radiator
Radiator
Rear pulley - clutch
Rear pulley - clutch
Rear rack
Rear rack
Rear shock absorber
Rear shock absorber
Rear wheel
Rear wheel
Regulator
Regulator
Rocker bar
Rocker bar
Rocker bar mounting
Rocker bar mounting
Seat
Seat
Side cover
Side cover
Speedo
Speedo
Starter motor
Starter motor
Stator
Stator
Switch
Switch
Tail light
Tail light
Throttle housing
Throttle housing
Toolbox
Toolbox
Variator - CVT
Variator - CVT
Water pump
Water pump
Windscreen
Windscreen
Wiring harness
Wiring harness
Subscribe to the Scooter Center Newsletter
Enter your e-mail address..
Sign up for our newsletter now and get a €5 discount on your next order of €50 or more!
Always stay up to date - with news, promotions and exclusive offers for scooters & tuning.
You can unsubscribe at any time. Your data will not be passed on to third parties.
Scooter Center
very good 4.7 / 5
Scooter Center
About us
Contact Us
How to contact us
Opening hours
For dealers
Career
Our responsibility/ESG
 
Shipping service
Shipping costs
Payment methods/prices
Returns/Returns
Buy voucher
Direct order
Exploded views
Our vehicles
FAQ
Payment and shipping
Sie können im Shop mit paypal zahlen Sie können im Shop per Vorkasse zahlen Sie können im Shop mit Kreditkarte zahlen Sie können im Shop mit Google Pay zahlen Sie können im Shop mit Apple Pay zahlen Sie können im Shop per Nachnahme zahlen Sie können im Shop mit Trustly zahlen Sie können im Shop mit iDEAL zahlen Sie können im Shop mit bancontact zahlen Sie können im Shop mit Bancomat Pay zahlen Sie können im Shop mit Amex zahlen Sie können im Shop mit BLIK zahlen
Free delivery from an order value of 99 euros for all end customers within Germany.
Wir versenden mit DHL Wir versenden mit ups Wir versenden mit DPD Wir versenden mit Fedex Click & Collect
Ausgezeichnet durch das eKomi Siegel
Article without TÜV and ABE unless otherwise indicated. Delivery times refer to deliveries within Germany.
All rights reserved © 2025 Scooter Center GmbH
Legal matters
Environmental conditions Ordinance on Small Electrical Parts Right of withdrawal AGB & customer information Cookie settings Legal notice Privacy policy
* incl. VAT. plus shipping costs