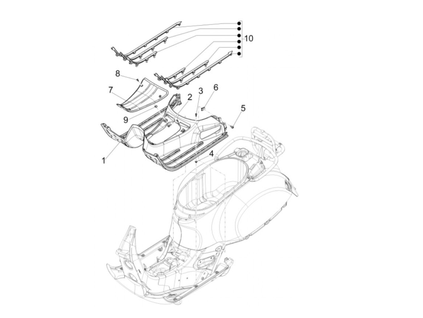
Footboard
Vespa GTS 125 IGET Touring (2019-2020, ZAPMA3700)
Sort