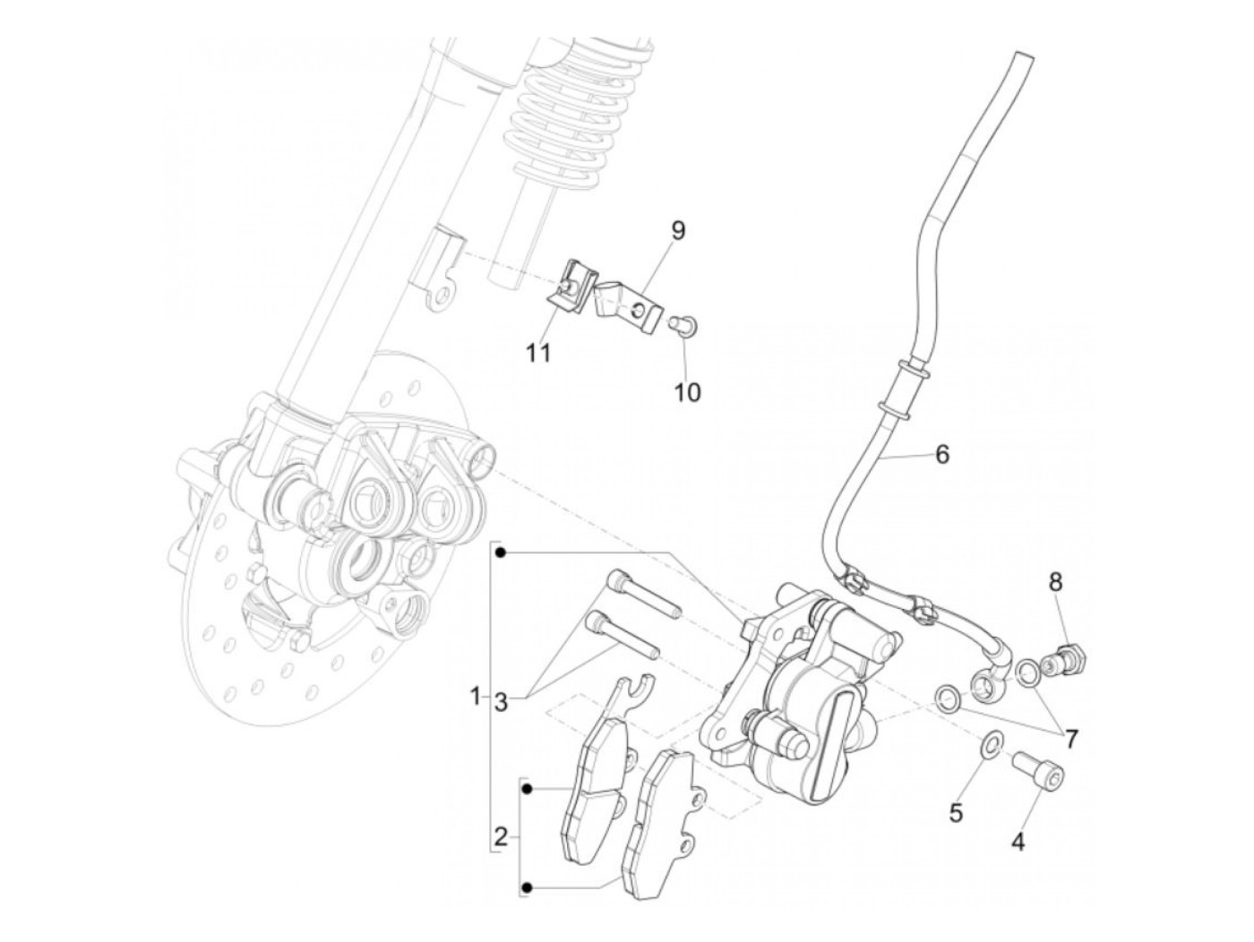
Front brake system
Vespa Sprint 50 Sport (2-stroke, 2017, ZAPC53201)
Sort