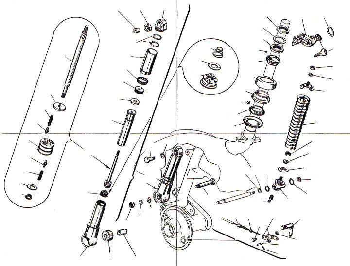
Front suspension
Vespa 125 (VNB1T)
Sort