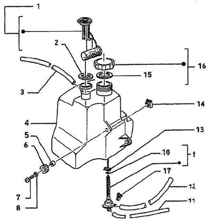
Fuel tank
Piaggio Sfera 80 (1994, NS81T)
Sort