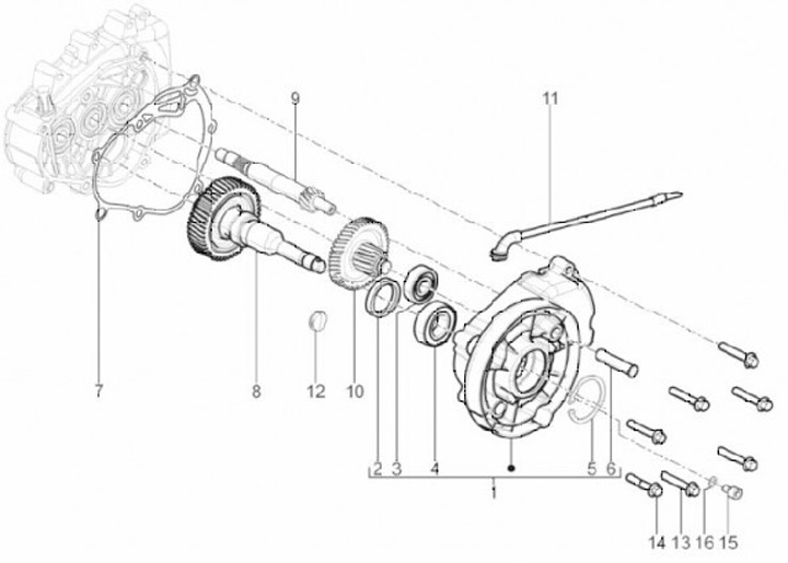
Gears
Aprilia SR Motard 125 (2014, LBMM70300)
Sort