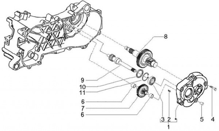
Gears
Gilera Runner 50 RST SP White Soul (2013, ZAPC46100)
Sort