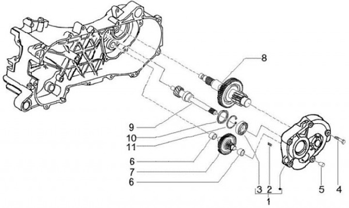
Gears
Gilera Runner 50 RST SP Black Soul (2012, ZAPC46100)
Sort