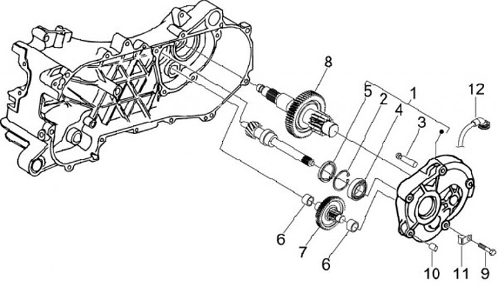
Gears
Piaggio Liberty 50 (2-stroke, 2009, ZAPC49100)
Sort