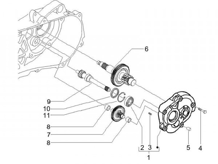
Gears
Piaggio Zip 100 (2006-2010, LBMM25200)
Sort