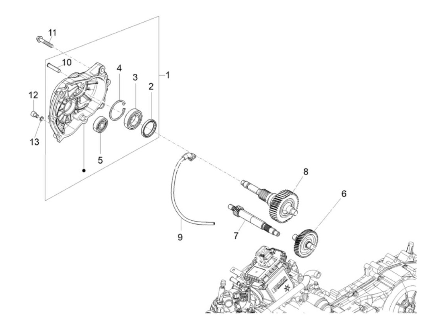
Gears
Vespa Sprint 50 IGET (4-stroke. 2022, ZAPCD0101) Justin Bieber
Sort