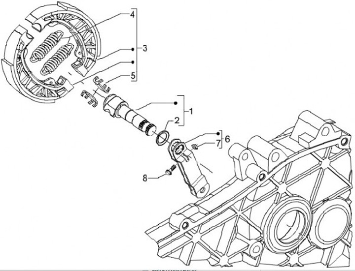
Rear brake shoes
Piaggio Liberty 200 (2002, ZAPM38400)
Sort