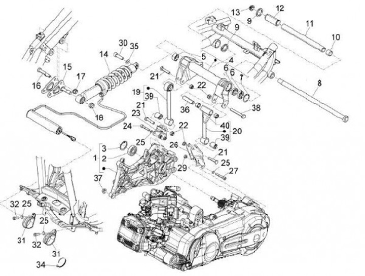
Rear shock absorber
Piaggio X10 500 (2013, ZAPM76300)
Sort