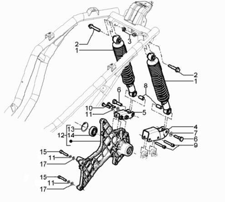
Rear shock absorber
Piaggio Beverly 125 RST 4V (2011, ZAPM69100)
Sort