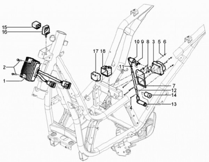
Regulator
Piaggio Beverly 300 RST (2011, ZAPM69200)
Sort