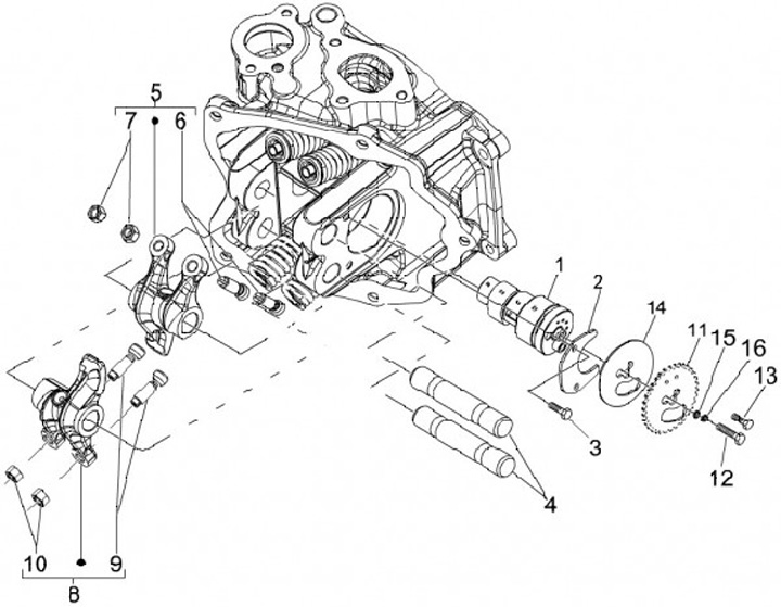
Rocker arm - camshaft
Vespa GT 125 L (2005, ZAPM31101)
Sort