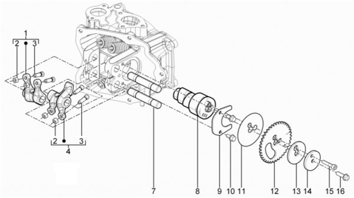
Rocker bar mounting
Vespa GTS 125ie Super (2014, ZAPM45300)
Sort