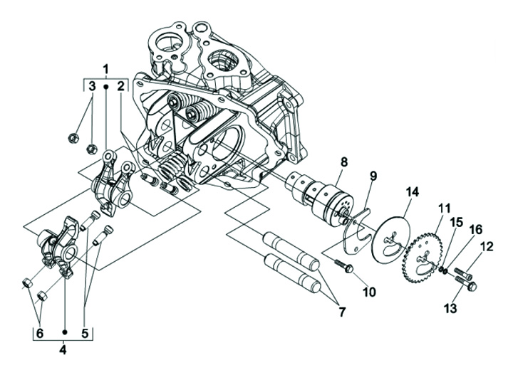
Rocker bar mounting
Piaggio X9 125 (2003, ZAPM23000) M239M
Sort