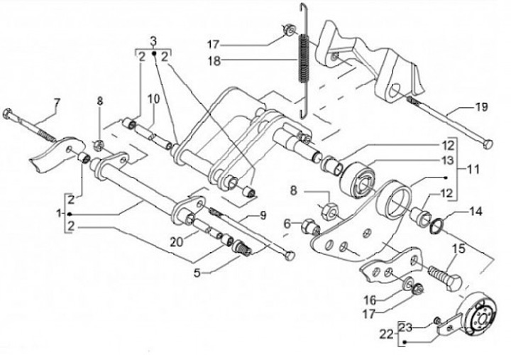
Rocker bar
Gilera Nexus 125 (2007, ZAPM35500)
Sort