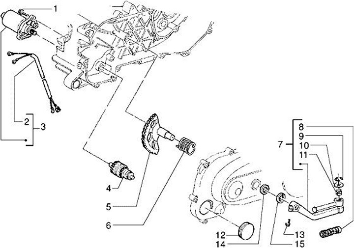
Starter motor - kickstarter
Piaggio Sfera 50 RST (1995, ZAPC01000)
Sort