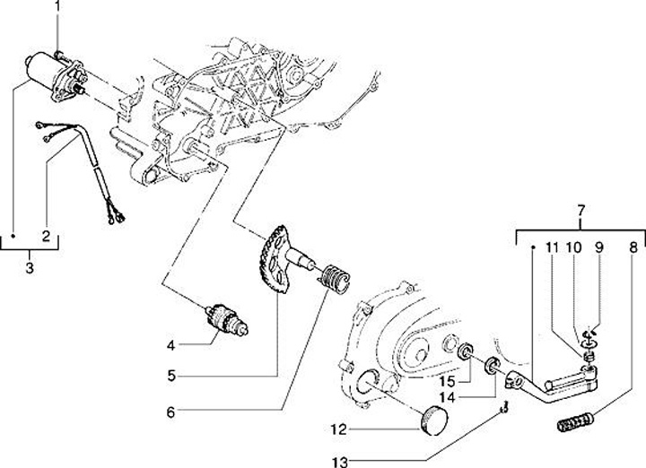
Starter motor - kickstarter
Piaggio NTT 50 (1995, SAL1T)
Sort