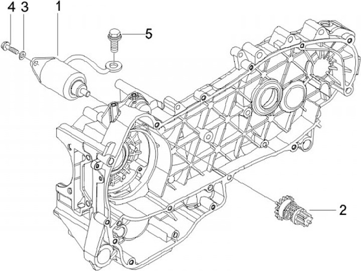
Starter motor
Piaggio X8 150 (2006-2008, ZAPM49200)
Sort