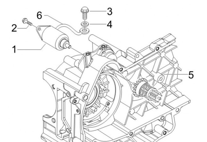
Starter
Vespa GTS 125 (2010, ZAPM31300)
Sort