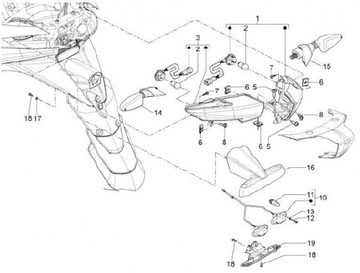
Tail light
Piaggio MP3 Yourban 300 ERL LT (2011, ZAPM75100)
Sort