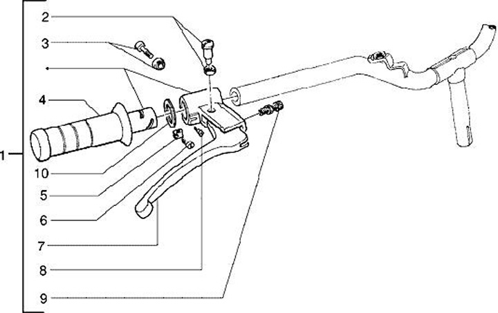
Throttle grip
Piaggio Free 50 (1993-1997, FCS1T)
Sort