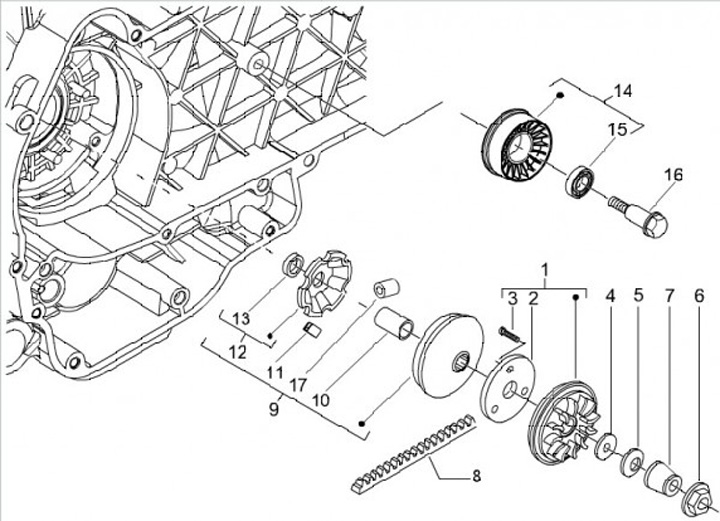
Variator - CVT
Piaggio Beverly 250 GT (2005, ZAPM28500)
Sort