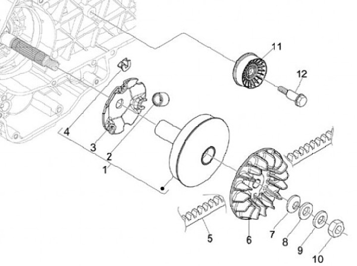
Variator - CVT
Piaggio MP3 300 Sport LT (2013, ZAPM64102)
Sort