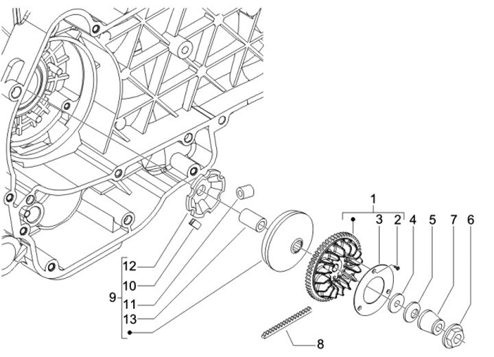
Variator - CVT
Piaggio X8 125 (2006-2007, ZAPM49100)
Sort