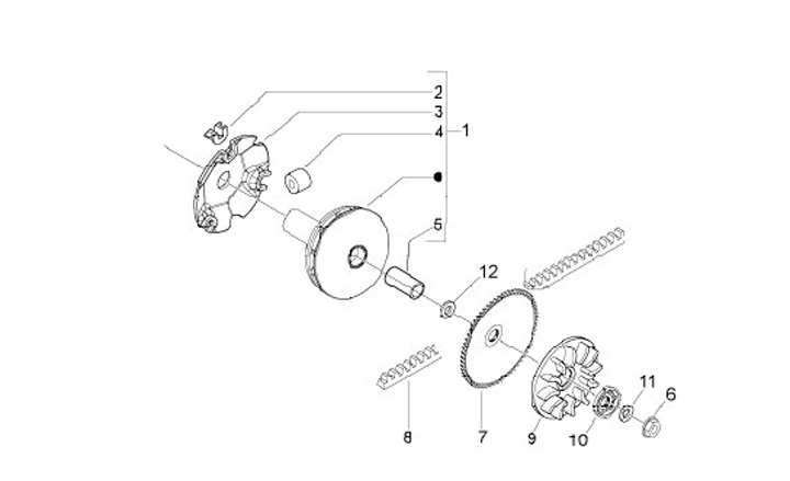
Variator - CVT
Aprilia Sport City 50 One (2008-2011, ZD4SBA-TCA)
Sort