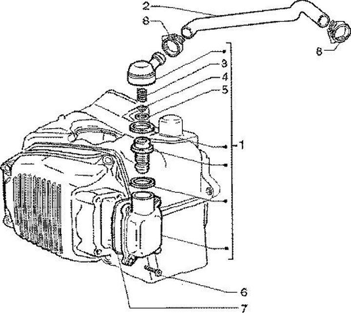
Venting casing
Piaggio Liberty 150 (1998-2003, ZAPM2200002)
Sort